XS_gc_15png.png
MS-XS_gc_09png.png
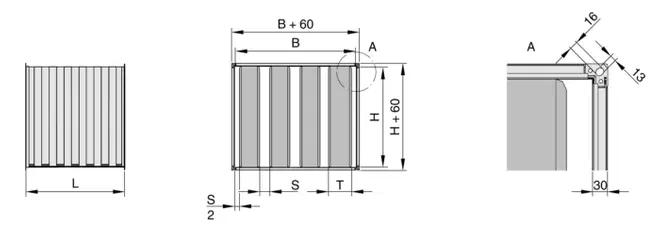
Standaard flens 30 mm
MS-XS_gc_01png.png
Hoekprofiel 35 × 35 × 3 mm
Kulissenrahmen_SDpng.png
Gestroomlijnde coulisraam
VDI6022_gs_01ai.png
Getest volgens VDI 6022
XS_gc_15png.png
MS-XS_gc_09png.png
MS-XS_gc_01png.png
Kulissenrahmen_SDpng.png
VDI6022_gs_01ai.png
Online beschikbaar - Nu configureren

XS 

COULISSENGELUIDDEMPER MET HOGE DEMPING IN HET HOGE FREQUENTIEBEREIK

Coulissengeluiddemper, bestaand uit behuizing en geïntegreerde geluiddempercoulissen (serie XK) voor luchttechnische installaties

  • Demping door geluidsabsorptie
  • Energiebesparing door gestroomlijnde en geprofileerde coulisramen (radius 20 mm)
  • Absorptiemateriaal hygiënisch en biologisch verantwoord
  • Absorptiemateriaal met opgelijmd glasvezeldoek beschermd tegen erosie tot luchtsnelheden van 20 m/s
  • Niet brandbaar absorptiemateriaal volgens EN 13501 bouwmateriaalklasse A1
  • Lekdichtheid van het huis volgens EN15727, klasse C en drukklasse 2
  • Toepasbaar in ruimtes met explosiegevaar (EG-Richtlijn 2014/34/EU (ATEX)), Zone 1, 2 en Zone 21 en 22 (buiten) in overeenstemming met richtlijn 1999/92/EG
  • Bedrijfstemperatuur tot maximaal 100 °C, uitvoering -L (strekmetaal/geperforeerde plaat) voor een beperkte periode tot 300 °C

Optionele uitrusting en toebehoren

  • Strekmetaal als extra mechanische bescherming van het absorberende materiaal
  • RVS-uitvoering A2 (1.4301), optioneel met geperforeerde plaat als extra bescherming van het absorptiemateriaal
  • Andere RVS- en aluminiumvarianten en PUR-gecoate oppervlakken op aanvraag

Update order code
Configuratie opslaan
Uw prijs wordt berekend
Update technische gegevens
  • Media
Bestekstekst:
Update bestekstekst
Toon volledige tekst Verberg volledige tekst
Initialize order code

Algemene Informatie

Toepassing

  • Geluiddempercoulissen voor demping van ventilator- en stromingsgeluid in luchttechnische installaties
  • Demping van de coulissen XK door absorptie
  • Breedband demping ook in het hoge frequentiebereik
  • Voor toepassing in ruimten met explosiegevaar (EG-Richtlijn 2014/34/EU (ATEX)), Zone 1, 2, 21 en 22 (buiten) in overeenstemming met richtlijn 1999/92/EG

Speciale kenmerken:

  • Verhoogde demping in het hoge frequentiebereik
  • Lekdichtheid van het huis volgens EN15727, klasse C en drukklasse 2
  • Energiebesparing door gestroomlijnde coulissenframes
    Tot 30 % minder drukverschil
  • Hygiënisch getest en gecertificeerd volgens VDI 6022
  • Grotere afmetingen mogelijk door gedeelde uitvoering

Nominale groottes

  • Breedte B: 200, 400, 600, 800, 1000, 1200, 1400, 1600, 1800, 2000, 2200, 2400 mm
    • Tussenmaten in stappen van 1 mm.
      • Coulisdikte 100 mm: 150 – 2399 mm
      • Coulisdikte 200 mm: 250 – 2399 mm
      • Coulisdikte 230 mm: 288 – 2399 mm
      • Coulisdikte 300 mm: 375 – 2399 mm
    • In breedte gedeelde uitvoering bij afmeting 2401 – 4800 mm in stappen van 1 mm mogelijk
      • Even aantal coulissen: Deling in het midden
      • Oneven aantal coulissen: Deling niet in het midden
  • Hoogte H: 300, 400, 500, 600, 700, 800, 900, 1000, 1100, 1200, 1300, 1400, 1500, 1600, 1700, 1800 mm
    • Tussenmaten 150 – 1799 mm in stappen van 1 mm
    • In hoogte gedeelde uitvoering bij afmeting 1801 – 3600 mm in stappen van 1 mm mogelijk
      • Deling in het midden
  • Lengte L: 500, 750, 1000, 1250, 1500 mm
    • Tussenmaten 501 – 1499 mm in stappen van 1 mm
  • In lengte gedeelde uitvoering bij afmeting 1501 – 3000 mm in stappen van 1 mm mogelijk
    • Deel L1: 1000, 1250, 1500 mm
    • Deel L2: minstens 501 mm en ≤ L1, in stappen van 1 mm
  • Deling in de breedte en/of hoogte, als B + H > 4200 mm
  • Spleetbreedte S
    • Minimaal: Coulissendikte T × 0,25, echter niet < 40 mm
    • Maximaal: Coulissendikte T × 2

Uitvoeringen

  • XS met coulissenserie XK
    • Coulisdikte 100 mm
    • Coulisdikte 200 mm
    • Coulisdikte 230 mm
    • Coulisdikte 300 mm

Uitvoering

Behuizing

  • Geen opgaaf: met behuizing
  • OL: zonder behuizing (alleen coulissenset serie XK)

Coulisoppervlakte

  • F: Glasvezeldoek
  • L: Glasvezeldoek en strekmetaal voor extra mechanische bescherming van het absorptiemateriaal
    • Roestvaststalen uitvoering met geperforeerde plaat

Materialen en afwerking

  • Geen opgaaf: staal verzinkt 1.0917
  • A2: Roestvaststaal 1.4301
  • P1: coulissen gepoedercoat in RAL 7001, zilvergrijs

Kanaalaansluiting

  • P: kanaalprofiel 30 mm, verzinkt staal of roestvaststaal
  • W: Hoekprofiel 35 × 35 × 3 mm, verzinkt staal
  • T: Kanaalprofiel 20 mm, verzinkt staal

Tegenraam

  • Geen vermelding: zonder
  • G: Tegenraam (alleen bij hoekprofiel, W)

Onderdelen en eigenschappen

  • Behuizing
    • Lekdichtheid van het huis volgens EN15727, klasse C en drukklasse 2
    • Diverse luchtkanaal aansluitingen selecteerbaar
  • Tegenraam
    • Hoekprofiel met identiek gatenpatroon overeenkomstig de bestelde geluiddemper
    • Voor montage aan een kanaal op het project.
    • Gestroomlijnde coulissenframes
      • Bedekt de randen van het absorptiemateriaal
      • Vermindering van het drukverlies
      • Optimalisering van de luchtstroom en vermindering van het stromingsgeluid
      • Grotere stabiliteit door speciale profilering

    Constructieve kenmerken

    • Gefelst luchtkanaal met zettingen voor meer stijfheid
    • Geluiddemper in breedte- en/of hoogte gedeelde uitvoering met hoekprofiel
      • Alleen verzinkt stalen uitvoering
    • Coulissenframe aërodynamisch geprofileerd (radius> 20 mm), om turbulentie in de instroom en uitstroom zijden te verminderen, en door rillen verstevigd
      • Frame uiteinden omgevouwen voor een verhoogde frame stijfheid
    • Bedrijfstemperatuur tot maximaal 100 °C, Uitvoering -L (strekmetaal/geperforeerde plaat) maximaal 8 uur tot 300 °C

    Materialen en afwerking

    • Luchtkanaal, kanaalprofiel van verzinkt staal 1.0917 of roestvaststaal 1.4301
    • Hoekprofiel van verzinkt staal S235JRC2
    • Coulissenframe, middenstijl van verzinkt staalplaat 1.0917 of roestvaststaal 1.4301
      • Strekmetaal van verzinkt staal 1.0917
      • Geperforeerde plaat van roestvaststaal 1.4301
      • Absorptiemateriaal mineraalwol
        • Volgens EN 13501, bouwmateriaal klasse A1, niet brandbaar
        • RAL-keurmerk RAL-GZ 388
        • Biologisch afbreekbaar volgens TRGS 905 en EU-richtlijn 97/69/EG
        • Beschermd tegen erosie tot een luchtsnelheid van max 20 m/s door een toplaag van glaszijde.
        • Ongevoelig voor schimmel- of bacteriegroei volgens de DIN EN 846

    Normen en richtlijnen

    • Tussenschakeldemping en geluidsvermogen van het stromingsgeluid gemeten volgens EN ISO 7235
    • Hygiene-eisen volgens VDI 6022, VDI 3803 deel 1 en DIN 1946 deel 4
    • EG-Richtlijn 2014/34/EU (ATEX): Apparaten en beschermingssystemen voor toepassing in ruimtes met explosiegevaar
    • EG-Richtlinie 1999/92/EG (ATEX): Verbetering van de bescherming van de veiligheid en gezondheid van werknemers die gevaar kunnen lopen door explosieve omstandigheden.
    • Luchtdichtheidsklasse en drukklasse volgens DIN EN 15727

    Onderhoud

    • Onderhoudsarm, door de constructie en gekozen materialen ongevoelig voor slijtage
    • Periodieke reinigingsintervallen conform de VDI6022

    Technische informatie

    Functie, Technische gegevens, Snelselectie, Bestekomschrijving, Bestelsleutel

    • FUNCTIE
    • TECHNISCHE GEGEVENS
    • SNELSELECTIE
    • BESTEKOMSCHRIJVING
    • BESTELSLEUTEL

    Coulissengeluiddempers in de serie XS bevatten coulissen van de serie XK.

    De dempende werking van de geluiddempercoulisen XK werkt door absorptie.

    Als absorptiemateriaal bevatten de coulissen mineraalwol.

    Coulissendikte100, 200, 230, 300 mm
    Nominale grootten (B × H × L)Serie XS 100: 150 × 150 × 500 mm – 2400 × 1800 × 1500 mm
    Serie XS 200: 250 × 150 × 500 mm – 2400 × 1800 × 1500 mm
    Serie XS 230: 288 × 150 × 500 mm – 2400 × 1800 × 1500 mm
    Serie XS 300: 375 × 150 × 500 mm – 2400 × 1800 × 1500 mm
    In breedte gedeelde uitvoering2401 – 4800 mm
    In hoogte gedeelde uitvoering1801 – 3600 mm
    In lengte gedeelde uitvoering1501 – 3000 mm
    Tussenmatenin stappen van 1 mm.
    Bedrijfstemperatuur

    Bedrijfstemperatuur tot maximaal 100 °C, Uitvoering -L maximaal 8 uur tot 300 °C

    De snelselectie geeft een goed overzicht van de tussenschakeldemping alsmede de drukverschillen bij verschillende spleetbreedtes en luchtsnelheden.
    Waarden voor andere dimensies kunnen worden gevonden in het ontwerp programma Easy Product Finder.

    De drukverschillen gelden voor geluiddempers met een hoogte van 1 m.

    XK100, XS100, tussenschakeldemping De [dB] en drukverlies Δpt [Pa]

    L

    Spleetbreedte

    Middenfrequenties fm [Hz]

    vs [m/s]

    63125250500100020004000800061014
    500504861835402722102956

    500

    100444152722151082345
    100050610142844483529133772

    1000

    8057102438382720102855

    1000

    100558233633231592651
    1500507132138

    > 50

    > 50

    4337164487

    1500

    8069163348483526123263

    1500

    10067133045453121102956
    2000508162948

    > 50

    > 50

    > 50

    451952102

    2000

    807102141

    > 50

    > 50

    4333133670

    2000

    100781838

    > 50

    > 50

    3927113262
    250050101836

    > 50

    > 50

    > 50

    > 50

    > 50

    2260118

    2500

    808122749

    > 50

    > 50

    > 50

    39144078

    2500

    100892245

    > 50

    > 50

    4833123467
    300050112144

    > 50

    > 50

    > 50

    > 50

    > 50

    2468133

    3000

    80101433

    > 50

    > 50

    > 50

    > 50

    45164485

    3000

    10091027

    > 50

    > 50

    > 50

    > 50

    38133773


    XK200, XS200, tussenschakeldemping De [dB] en drukverlies Δpt [Pa]

    L

    Spleetbreedte

    Middenfrequenties fm [Hz]

    vs [m/s]

    63125250500100020004000800061014
    50050491427423825192158114

    500

    10025101928241612113161
    1000505142143

    > 50

    > 50

    36252467131

    1000

    80410183546412719154384

    1000

    10049163241352316133569
    15005071929

    > 50

    > 50

    > 50

    47312775147

    1500

    806142449

    > 50

    > 50

    3523174894

    1500

    1005122244

    > 50

    463019144078
    20005092436

    > 50

    > 50

    > 50

    > 50

    373083164

    2000

    8071931

    > 50

    > 50

    > 50

    44271953105

    2000

    10061628

    > 50

    > 50

    > 50

    3723164486

    2000

    200391940443116992550
    250050112944

    > 50

    > 50

    > 50

    > 50

    423392180

    2500

    8092337

    > 50

    > 50

    > 50

    > 50

    322159115

    2500

    10082034

    > 50

    > 50

    > 50

    4427174894

    2500

    2004112449

    > 50

    381911102854
    3000501334

    > 50

    > 50

    > 50

    > 50

    > 50

    4836100197

    3000

    80102744

    > 50

    >50

    > 50

    > 50

    362364126

    3000

    10092340

    > 50

    > 50

    > 50

    > 50

    301953103

    3000

    20051329

    > 50

    > 50

    452212113059


    XK230, XS230, tussenschakeldemping De [dB] en drukverlies Δpt [Pa]

    L

    Spleetbreedte

    Middenfrequenties fm [Hz]

    vs [m/s]

    63125250500100020004000800061014
    5008036112230221615154384

    500

    10035101926191414133569
    100080410183242342319184997

    1000

    10049172938302017144078

    1000

    2003612202317111082344
    1500805142541

    > 50

    4730222056109

    1500

    100513233849412620164588

    1500

    2004818273223141292549
    20008061832

    > 50

    > 50

    > 50

    37262262121

    2000

    1006163047

    > 50

    > 50

    3223185098

    2000

    200411233540281714102854
    25008072239

    > 50

    > 50

    > 50

    43292568134

    2500

    10072037

    > 50

    > 50

    > 50

    38262055108

    2500

    200513284248342016113059
    30008082646

    > 50

    > 50

    > 50

    50322774146

    3000

    10082443

    > 50

    > 50

    > 50

    44292260117

    3000

    2006163350

    > 50

    402418123364

     

    XK300, XS300, tussenschakeldemping De [dB] en drukverlies Δpt [Pa]

    L

    Spleetbreedte

    Middenfrequenties fm [Hz]

    vs [m/s]

    63125250500100020004000800061014
    50080371522292618122158113

    500

    10036132026231611174691
    1000805122334423724162365127

    1000

    1004112131383322141851101

    1000

    20038162225211310102753
    1500806173245

    > 50

    4730202672141

    1500

    1005162942504227182056111

    1500

    200312222933271711112957
    20008072340

    > 50

    > 50

    > 50

    36232879154

    2000

    10062137

    > 50

    > 50

    > 50

    32212262121

    2000

    200415283741332013113161
    25008092849

    > 50

    > 50

    > 50

    42273186168

    2500

    10082645

    > 50

    > 50

    > 50

    37242467131

    2500

    200519344550392415123365
    3000801034

    > 50

    > 50

    > 50

    > 50

    48303393182

    3000

    100931

    > 50

    > 50

    > 50

    > 50

    43272672141

    3000

    20062340

    > 50

    > 50

    452717133569

    Bestekomschrijving

    Geluiddempercoulissen voor demping van ventilator- en stromingsgeluid in luchttechnische installaties. Demping door geluidsabsorptie. Energiebesparende en hygienisch geteste en gecertificeerde uitvoering. Coulissengeluiddemper bestaand uit behuizing met flensranden en geïntegreerde coulissen van de serie XK of als coulissen inbouwset. Geluiddempercoulissen bestaande uit aerodynamisch geprofileerd raamprofiel (radius 20 mm) en absorptiemateriaal. Het raamprofiel reduceert drukverlies en leidt tot minder stromingsgeluid. De profilering en de omgefelsde randen van het raamprofiel zorgen voor een verhoogde stijfheid. Tussenschakeldemping en geluidsvermogen van het stromingsgeluid gemeten conform de EN ISO 7235. Toe te passen in explosie gevaarlijke ruimten (ATEX), Zone 1, 2, 21 en 22 (buiten) volgens richtlijn 1999/92/EG. Luchtdichtheid klasse C en drukklasse 2 volgens EN 15727.


    Speciale kenmerken:

    • Verhoogde demping in het hoge frequentiebereik
    • Lekdichtheid van het huis volgens EN15727, klasse C en drukklasse 2
    • Energiebesparing door gestroomlijnde coulissenframes
      • Tot 30 % minder drukverschil
    • Hygiënisch getest en gecertificeerd volgens VDI 6022
    • Grotere afmetingen mogelijk door gedeelde uitvoering


    Materialen en afwerking

    • Luchtkanaal, kanaalprofiel van verzinkt staal 1.0917 of roestvaststaal 1.4301
    • Hoekprofiel van verzinkt staal S235JRC2
    • Coulissenframe, middenstijl van verzinkt staalplaat 1.0917 of roestvaststaal 1.4301
      • Strekmetaal van verzinkt staal 1.0917
      • Geperforeerde plaat van roestvaststaal 1.4301
      • Absorptiemateriaal mineraalwol
        • Volgens EN 13501, bouwmateriaal klasse A1, niet brandbaar
        • RAL-keurmerk RAL-GZ 388
        • Biologisch afbreekbaar volgens TRGS 905 en EU-richtlijn 97/69/EG
        • Beschermd tegen erosie tot een luchtsnelheid van max 20 m/s door een toplaag van glaszijde.
        • Ongevoelig voor schimmel- of bacteriegroei volgens de DIN EN 846


    Uitvoering

    Behuizing

    • Geen opgaaf: met behuizing
    • OL: zonder behuizing (alleen coulissenset serie XK)


    Coulisoppervlakte

    • F: Glasvezeldoek
    • L: Glasvezeldoek en strekmetaal voor extra mechanische bescherming van het absorptiemateriaal
      • Roestvaststalen uitvoering met geperforeerde plaat


    Materialen en afwerking

    • Geen opgaaf: staal verzinkt 1.0917
    • A2: Roestvaststaal 1.4301
    • P1: coulissen gepoedercoat in RAL 7001, zilvergrijs


    Kanaalaansluiting

    • P: kanaalprofiel 30 mm, verzinkt staal of roestvaststaal
    • W: Hoekprofiel 35 × 35 × 3 mm, verzinkt staal
    • T: Kanaalprofiel 20 mm, verzinkt staal


    Tegenraam

    • Geen vermelding: zonder
    • G: Tegenraam (alleen bij hoekprofiel, W)

    Technische gegevens

    • Coulissendikte: 100, 200, 230, 300 mm
    • Afmetingen B × H × L: von XS 100: 150 × 150 × 500 mm, XS 200: 250 × 150 × 500 mm, XS 230: 288 × 150 × 500 mm, XS 300: 375 × 150 × 500 mm
    • Ongedeelde uitvoering: tot 2400 × 1800 × 1500 mm
    • In breedte gedeelde uitvoering: 2401 - 4800 mm.
    • In hoogte gedeelde uitvoering: 1801 - 3600 mm.
    • In lengte gedeelde uitvoering: 1501 - 3000 mm.
    • Tussenmaten in stappen van 1 mm.
    • Bedrijfstemperatuur tot maximaal 100 °C, Uitvoering -L (strekmetaal/geperforeerde plaat) maximaal 8 uur tot 300 °C

    De lengte (L) van geluiddempercoulissen en coulissengeluiddempers verwijst naar de luchtstroomrichting.

    Selectiegegevens

    • B [mm]
    • H [mm]
    • L in (Luchtrichting)

      [mm]
    • qv [m³/h]
    • De bij 250 Hz [dB]
    • Δpt [Pa]

    XSFA2/900×600×1500/3×200/P/G
    |||||| | | | | |
    123456 7 8 9 10 11


    1 Serie

    XS Coulissengeluiddemper
     
    2 Luchtkanaal
    Geen opgaaf: met luchtkanaal
    OL Zonder luchtkanaal (alleen coulissenset serie XK)
     
    3 Coulisoppervlakte
    F Glasvezeldoek
    L Glasvezeldoek en strekmetaal
     
    4 Materiaal luchtkanaal en geluiddempercoulissen
    Geen opgaaf: staal verzinkt 1.0917
    A2 Roestvaststaal 1.4301
    P1 Gepoedercoat in RAL 7001 (alleen coulissen, niet het kanaalhuis)
     
    5 Breedte B [mm]
    150 mm – 4800 mm (met kanaalhuis)
    150 mm – 100000 mm (zonder kanaalhuis)
     
    6 Hoogte H [mm]
    150 mm – 3600 mm
     
    7 Lengte in luchtrichting L [mm]
    500 mm – 3000 mm (met kanaalhuis)
    150 mm – 5000 mm (zonder kanaalhuis)
     
    8 Coulissen aantal
     
    9 Coulisdikte T [mm]
    100, 200, 230, 300
     
    10 Luchtkanaalprofiel
    Geen vermelding: zonder luchtgeleidingsprofiel (alleen coulissen XK)
    P Luchtkanaalprofiel 30 mm, staal verzinkt of roestvaststaal
    W Hoekprofiel 35 × 35 × 3 mm, alleen staal verzinkt S235JRC2 (in de breedte en/of hoogte gedeelde geluiddempers alleen met hoekprofiel)
    D Luchtkanaalprofiel 20 mm, alleen staal verzinkt
     
    11 Tegenraam
    Geen vermelding: zonder
    G Tegenraam (alleen bij hoekprofiel)

    Bestelvoorbeeld: XS-L/900×1500×1000/3×230/P

    LuchtkanaalMet luchtkanaal
    CoulisoppervlakteGlasvezeldoek en strekmetaal
    MateriaalStaal verzinkt 1.0917
    Breedte900 mm
    Hoogte1500 mm
    Lengte (in luchtrichting)1000 mm
    Coulissen aantal3
    Coulissendikte230 mm
    LuchtkanaalprofielLuchtkanaalprofiel 30 mm

    Afmetingen en Gewichten

    • AFMETINGEN
    • GEWICHTEN
    Nominale grootten

    Breedte B: 200, 400, 600, 800, 1000, 1200, 1400, 1600, 1800, 2000, 2200, 2400 mm


    Tussenmaten: in stappen van 1 mm

    • Coulisdikte 100 mm: 150 – 2399 mm
    • Coulisdikte 200 mm: 250 – 2399 mm
    • Coulisdikte 230 mm: 288 – 2399 mm
    • Coulisdikte 300 mm: 375 – 2399 mm


    Maten van 2401 – 4800 mm zijn verkrijgbaar met de breedte onderverdeeld in stappen van 1 mm

    Even aantal coulissen: centrale verdeling
    Oneven aantal coulissen: excentrische verdeling

    Hoogte H: 300, 400, 500, 600, 700, 800, 900, 1000, 1100, 1200, 1300, 1400, 1500, 1600, 1700, 1800 mm

    Tussenmaten 150 – 1799 mm in stappen van 1 mm

    Maten van 1801 – 3600 mm zijn verkrijgbaar met de hoogte onderverdeeld in stappen van 1 mm


    • Midden divisie

    Lengte L: 500, 750, 1000, 1250, 1500 mm


    • Tussenmaten 501 – 1499 mm in stappen van 1 mm

    Maten van 1501 – 3000 mm zijn verkrijgbaar met de lengte onderverdeeld in stappen van 1 mm


    • Onderdeel L1: 1000, 1250, 1500 mm
    • Onderdeel L2: minimaal 501 mm en ≤ L1, in stappen van 1 mm

    Breedte en/of hoogte onderverdeeld indien B + H > 4200 mm

    Luchtwegbreedte S


    • Minimum: coulisdikte T × 0,25, maar niet < 40 mm
    • Maximaal: coulisdikte T × 2
    Luchtkanaal met flens (-P), L= 500
    H

    B

    400600800100012001400160020002400
    3007810121416182125
    60091113141618202327
    900131517192123252933
    1200151819212325273135
    1500182022242628293337
    1800212224262830323539

    Luchtkanaal met flens (-P), L= 750
    H

    B

    400600800100012001400160020002400
    30091215172022253036
    600131518202325283238
    900172023252831333944
    1200212326283133364146
    1500252831333639414752
    1800283134363941444954

    Luchtkanaal met flens (-P), L= 1000
    H

    B

    400600800100012001400160020002400
    300121619222529323946
    600161923262932354248
    900212528313538414855
    1200273034374044475461
    1500313437414447505663
    1800364043464953566369

    Luchtkanaal met flens (-P), L= 1250
    H

    B

    400600800100012001400160020002400
    300141721252933374553
    600202327313539435159
    900263034384245495765
    1200323640444852566472
    1500384246505458627078
    1800444852566064687784

    Luchtkanaal met flens (-P), L= 1500
    H

    B

    400600800100012001400160020002400
    300162126303540445463
    600232832374246516070
    900303539444953586776
    1200374146515560647383
    1500444853576266718089
    18005257616671768190100

    Luchtkanaal met hoekframe (-W), L= 500

    H

    B

    400600800100012001400160020002400
    300101316192225283339
    600141720232628313743
    900202326293235384550
    1200242730333639424854
    1500283134374043465258
    1800323538414447505561

    Luchtkanaal met hoekframe (-W), L= 750
    H

    B

    400600800100012001400160020002400
    300131720242831354350
    600182125293236394654
    900242832353943465461
    1200293236404347515865
    1500353943465054586573
    1800404447515558626976

    Luchtkanaal met hoekframe (-W), L= 1000
    H

    B

    400600800100012001400160020002400
    300162025293338435260
    600212630343943475564
    900283337414650556372
    1200354044495358627180
    1500414549545862677584
    1800485257616570748391

    Luchtkanaal met hoekframe (-W), L= 1250
    H

    B

    400600800100012001400160020002400
    300172227323742475767
    600253035404550556575
    900333843485358637383
    1200404550556066718191
    1500485358636873788999
    18005661667176818697107

    Luchtkanaal met hoekframe (-W), L= 1500
    H

    B

    400600800100012001400160020002400
    300202631374349546677
    600283440465157637485
    900374248546065718293
    12004551576268737990102
    15005459657176828798110
    180063697581879399110122

    XK 100 – glasvezeldoek (-F)
    HL

    500

    750

    1000

    1250

    1500

    1750

    2000

    2250

    2500

    500334567899
    750345679101112
    100045781011131415
    1250568101214151920
    15006710121416202223
    175079111416XXXX
    2000810131517XXXX
    2250911141619XXXX
    2500912151821XXXX

    XK 100 – glasvezeldoek en strekmetaal (-L)
    HL

    500

    750

    1000

    1250

    1500

    1750

    2000

    2250

    2500

    5004578911121415
    750579111315171921
    10007911141820222527
    125081114182124273235
    150091317212428343841
    175079111416XXXX
    2000810131517XXXX
    2250911141619XXXX
    2500912151821XXXX

    XK 100 – glasvezeldoek en geperforeerde plaat (-L-A2)
    HL

    500

    750

    1000

    1250

    1500

    1750

    2000

    2250

    2500

    500457101214161820
    7505710131619232629
    100071013172126303438
    125081216212732374148
    150091419263237435257
    17501623303743XXXX
    20001826344149XXXX
    22502129384655XXXX
    25002332415160XXXX

    XK 200 – glasvezeldoek (-F)
    HL

    500

    750

    1000

    1250

    1500

    1750

    2000

    2250

    2500

    50046791012131516
    7506810121316182022
    100071012141820232527
    125091214182124273235
    1500101318212428343740
    17501216202428XXXX
    20001418232731XXXX
    22501520253035XXXX
    25001722273338XXXX

    XK 200 – glasvezeldoek en strekmetaal (-L)
    HL

    500

    750

    1000

    1250

    1500

    1750

    2000

    2250

    2500

    5006810121416182022
    75081013161922252831
    1000101317202529323639
    1250121620263035394550
    1500141925303541485358
    17501623293541XXXX
    20001825323946XXXX
    22502128364351XXXX
    25002331394756XXXX

    XK 200 – glasvezeldoek en geperforeerde plaat (-L-A2)
    HL
    5007501000125015001750200022502500
    50071013151821242730
    750101418212530343841
    1000131822283439444954
    1250152128354147536268
    1500182533414856667380
    17502230394756XXXX
    20002434445363XXXX
    22502738495970XXXX
    25003042546677XXXX

    XK 230 – glasvezeldoek (-F)
    HL
    5007501000125015001750200022502500
    500578101214151719
    7507911131518202225
    100081114162023262831
    1250101316212428313639
    1500121520242832384246
    17501418232832XXXX
    20001621263136XXXX
    22501723283439XXXX
    25001925313743XXXX

    XK 230 – glasvezeldoek en strekmetaal (-L)
    HL
    5007501000125015001750200022502500
    5006811131518202224
    75081114182124273033
    1000111418222731353943
    1250131822283338434954
    1500152127333844525863
    17501825313844XXXX
    20002028354350XXXX
    22502331394755XXXX
    25002534435261XXXX

    XK 230 – glasvezeldoek en geperforeerde plaat (-L-A2)
    HL

    500

    750

    1000

    1250

    1500

    1750

    2000

    2250

    2500

    50081114161923262932
    750111519232732364044
    1000141924293641475257
    1250162329374451576672
    1500192736445160707885
    17502332415160XXXX
    20002636475767XXXX
    22502941526475XXXX
    25003245577083XXXX

    XK 300 – glasvezeldoek (-F)
    HL

    500

    750

    1000

    1250

    1500

    1750

    2000

    2250

    2500

    5006810131517192123
    75081114171923262831
    1000101417212629333640
    1250131721263035394550
    1500151925303541485358
    17501823293541XXXX
    20002026333946XXXX
    22502229364350XXXX
    25002432404755XXXX

    XK 300 – glasvezeldoek en strekmetaal (-L)
    HL

    500

    750

    1000

    1250

    1500

    1750

    2000

    2250

    2500

    50071013151821242729
    750101417212529333640
    1000131722273337424751
    1250152127333945515964
    1500182532394653626975
    17502230374553XXXX
    20002433425160XXXX
    22502737475766XXXX
    25003041516273XXXX

    XK 300 – glasvezeldoek en geperforeerde plaat (-L-A2)
    HL

    500

    750

    1000

    1250

    1500

    1750

    2000

    2250

    2500

    50091216192326303337
    750121722273137414651
    1000162228344148546066
    1250192734425058657582
    1500233141505968808997
    17502737485868XXXX
    20003042546577XXXX
    22503447607386XXXX
    25003752668095XXXX

    Inbouwdetails

    • INBOUWDETAILS

    Inbouw en inbedrijfname

    • Montagevoorschrift regels van de techniek in acht nemen, om de vermelde eigenschappen te bereiken
    • Tot hoogtemaat 1200 mm en tot lengtemaat 1500mm met een maximaal gewicht van 40 kg is zowel inbouw met coulissen horizontaal als verticaal toegestaan; echter wordt montage met verticale coulissen aanbevolen.
    • Vanaf H=1201 coulissen uitsluitend verticaal monteren.
    • De lengte (L) van geluiddempercoulissen en coulissengeluiddempers verwijst naar de luchtstroomrichting. Daarom bij verticale luchtstroom speciale aandacht voor de definitie van B, H en L.
    • Een turbulente luchtstroom tussen de coulissen kan tot schade leiden aan de coulissen.

    Een rechte aanstroomlengte voor de geluiddemper is noodzakelijk

    De minimaal aanbevolen rechte aanstroomlengte is afhankelijk van de verandering van de richting, de verandering van het oppervlak en opstelling van de coulissen.

    • Inbouw in luchtkanalen buiten gesloten ruimten alleen met voldoende bescherming tegen weersinvloeden

    Downloads

    Product informatie

    Certificaten

    Bedieningshandleiding

    production {"x-frame-options"=>"SAMEORIGIN", "x-xss-protection"=>"0", "x-content-type-options"=>"nosniff", "x-permitted-cross-domain-policies"=>"none", "referrer-policy"=>"strict-origin-when-cross-origin", "strict-transport-security"=>"max-age=31536000; includeSubDomains", "content-type"=>"text/html; charset=utf-8", "link"=>"</assets/application-efbc495b06ca980ef13dc743756002fce2f413f798fecb64c7f0c81954c16402.css>; rel=preload; as=style; nopush,</assets/print-fec2e47d6d8dcc5d4c101139f17046ba981ca1c12f71e7e403fba50cc7584175.css>; rel=preload; as=style; nopush,</assets/other_js/modernizr.custom.93544-c26374a79d804901074bb4aa6fd3fa44ea22e840389915d2adce16b024021ef3.js>; rel=preload; as=script; nopush,</assets/other_js/js.cookie.min-de103d86d1919b40950f791699b4ce768137fde41af09b35ff92bde369732183.js>; rel=preload; as=script; nopush,</assets/other_js/jquery-3.5.1-2c4ce18a1a3f144c333912efc24a76c9a165a0dba9f88a499985df1af0a196a2.js>; rel=preload; as=script; nopush"}

    Deel deze pagina

    Beveel deze pagina aan

    U kunt deze pagina delen door de link te delen.

    Velden met een ster (*) zijn verplichte velden.

    Contact

    Bedankt voor uw bericht!

    Uw aanbeveling is verzonden naar de ontvanger.

    Contact

    Wij zijn er om u te helpen.

    Geef alstublieft het onderwerp van uw vraag en uw contactgegevens.
    Tel.: +31(0)183 767300 | Fax: +31(0)183 767399

    Attachment (max. 10MB)

    Velden met een ster (*) zijn verplichte velden.

    Contact

    Bedankt voor uw bericht!

    Uw bericht is ontvangen door ons Service Center en wordt verwerkt.
    Onze service-afdeling neemt contact met u op.
    Als u algemene vragen over onze producten en services heeft, kunt u ons ook bereiken op:
    Tel.: +31(0)183 767300 | Fax: +31(0)183 767399

    Contact

    Wij zijn er om u te helpen.

    Geef alstublieft het onderwerp van uw vraag en uw contactgegevens.
    Tel.: +31(0)183 767300 | Fax: +31(0)183 767399

    Attachment (max. 10MB)

    Velden met een ster (*) zijn verplichte velden.

    Contact

    Bedankt voor uw bericht!

    Uw bericht is ontvangen door ons Service Center en wordt verwerkt.
    Onze service-afdeling neemt contact met u op.
    Als u algemene vragen over onze producten en services heeft, kunt u ons ook bereiken op:
    Tel.: +31(0)183 767300 | Fax: +31(0)183 767399