00137242_0
VD


00128830_0
Randverbreding


00128825_0
Beschermkorf


00143940_0
Verticale uitblaas


00143935_0
Wervelvormige, horizontale uitblaas


00137242_0
00128830_0
00128825_0
00143940_0
00143935_0
Online beschikbaar - Nu configureren

VD

Voor hoge ruimten, met verstelbare lamellen

Vierkant wervelrooster met handmatig of motorische verstelling van de uitblaasrichting voor tochtvrije ventilatie van de leefzone in verwarmings- en koelbedrijf

  • Nominale grootten 425, 600, 775, 1050
  • Luchtoeveelheidsbereik 95 – 1490 l/s of 342 – 5364 m³/h
  • Aluminium frontrooster
  • Voor toevoerlucht
  • Voor constante en variabele luchthoeveelheden
  • Hoge inductie voor snelle afbouw van toevoertemperatuurverschil en luchtsnelheid
  • Handmatig en motorisch verstelbare uitblaasrichting
  • Ideaal voor hoge ruimten


Optionele uitrusting en toebehoren

  • Zichtzijde van het frontrooster in kleuren volgens RAL Classic
  • Luchtaansluiting horizontaal en verticaal
  • Randverbreding voor ondersteuning van de horizontale luchtuitblaas bij koeling
  • Beschermkorf voor toepassing in sporthallen
  • Servomotoren voor verstelling van de uitblaasrichting

Update order code
Configuratie opslaan
Uw prijs wordt berekend
Update technische gegevens
  • Media
Bestekstekst:
Update bestekstekst
Toon volledige tekst Verberg volledige tekst
Initialize order code

Toepassing

Toepassing

  • Wervelroosters serie VD als toevoerrooster voor industrie- en comforttoepassing in hoge ruimten.
  • Voor industriële hallen, sporthallen, theaterzalen, ontvangsthallen, binnengebieden van luchthavens, treinstations en winkelcentra
  • Voor mengventilatie met verschillende uitblaasrichtingen voor verwarmings- en koelbedrijf
  • Wervelvormig horizontaal inblaaspatroon in koelbedrijf
  • Efficiënte wervel met hoge inductie voor snelle afbouw van het toevoertemperatuurverschil en de luchtsnelheid
  • Schuin tot verticaal uitblaaspatroon voor verwarming
  • Voor constante en variabele luchthoeveelheden
  • Voor toevoertemperatuurverschillen van –12 tot +15 K
  • Voor ruimten hoger dan ca. 3,8 m
  • Randverbreding voor ondersteuning van de horizontale uitblaas bij koeling en vrijhangende plaatsing

Speciale kenmerken

  • Met verstelbare lamellen voor grote ruimtehoogten
  • Handmatig en motorisch verstelbare uitblaasrichting
  • Luchtaansluiting horizontaal en verticaal

Nominale grootten

  • 425, 600, 775, 1050

Toepassing

  • Wervelroosters serie VD als toevoerrooster voor industrie- en comforttoepassing in hoge ruimten.
  • Voor industriële hallen, sporthallen, theaterzalen, ontvangsthallen, binnengebieden van luchthavens, treinstations en winkelcentra
  • Voor mengventilatie met verschillende uitblaasrichtingen voor verwarmings- en koelbedrijf
  • Wervelvormig horizontaal inblaaspatroon in koelbedrijf
  • Efficiënte wervel met hoge inductie voor snelle afbouw van het toevoertemperatuurverschil en de luchtsnelheid
  • Schuin tot verticaal uitblaaspatroon voor verwarming
  • Voor constante en variabele luchthoeveelheden
  • Voor toevoertemperatuurverschillen van –12 tot +15 K
  • Voor ruimten hoger dan ca. 3,8 m
  • Randverbreding voor ondersteuning van de horizontale uitblaas bij koeling en vrijhangende plaatsing

Speciale kenmerken

  • Met verstelbare lamellen voor grote ruimtehoogten
  • Handmatig en motorisch verstelbare uitblaasrichting
  • Luchtaansluiting horizontaal en verticaal

Nominale grootten

  • 425, 600, 775, 1050

Beschrijving

Uitvoeringen

  • Alleen frontrooster


Aansluiting

  • H: Horizontale aansluiting
  • V: Verticale aansluiting

Onderdelen en eigenschappen

  • Vierkant frontrooster met vier lamelvelden
  • Frontrooster met verstelbare lamellen voor horizontale tot verticale inblaas.
  • Aansluitkast met horizontale of verticale aansluiting

Toebehoren

  • Elektrische servomotor voor verstelling van de uitblaasrichting
  • Randverbreding en beschermkorf

Aanvullende producten

  • TDC voor temperatuurafhankelijke sturing

Constructieve kenmerken

  • Aansluiting passend op ronde luchtkanalen volgens EN 1506 of EN 13180

Materialen en afwerking

  • Aluminium frontrooster
  • Aansluitkast, kraag en traverse van verzinkt plaatstaal.
  • Beschermkorf van stalen profielen
  • Frontrooster naturel geanodiseerd, E6-C-0
  • Beschermkorf poedergecoat, RAL 9010, wit
  • Randverbreding poedergecoat, RAL 9006, wit aluminium
  • P1: poedercoating, kleur volgens RAL Classic

Normen en richtlijnen

  • Geluidvermogenniveau van het stromingsgeluid gemeten volgens EN ISO 5135.

Onderhoud

  • Onderhoudsvrij, door de constructie en gekozen materialen ongevoelig voor slijtage
  • Testen en reiniging volgens VDI 6022

Uitvoeringen

  • Alleen frontrooster


Aansluiting

  • H: Horizontale aansluiting
  • V: Verticale aansluiting

Onderdelen en eigenschappen

  • Vierkant frontrooster met vier lamelvelden
  • Frontrooster met verstelbare lamellen voor horizontale tot verticale inblaas.
  • Aansluitkast met horizontale of verticale aansluiting

Toebehoren

  • Elektrische servomotor voor verstelling van de uitblaasrichting
  • Randverbreding en beschermkorf

Aanvullende producten

  • TDC voor temperatuurafhankelijke sturing

Constructieve kenmerken

  • Aansluiting passend op ronde luchtkanalen volgens EN 1506 of EN 13180

Materialen en afwerking

  • Aluminium frontrooster
  • Aansluitkast, kraag en traverse van verzinkt plaatstaal.
  • Beschermkorf van stalen profielen
  • Frontrooster naturel geanodiseerd, E6-C-0
  • Beschermkorf poedergecoat, RAL 9010, wit
  • Randverbreding poedergecoat, RAL 9006, wit aluminium
  • P1: poedercoating, kleur volgens RAL Classic

Normen en richtlijnen

  • Geluidvermogenniveau van het stromingsgeluid gemeten volgens EN ISO 5135.

Onderhoud

  • Onderhoudsvrij, door de constructie en gekozen materialen ongevoelig voor slijtage
  • Testen en reiniging volgens VDI 6022

Technische informatie

Functie, Technische gegevens, Snelselectie, Bestekomschrijving, Bestelsleutel

  • Functie
  • TECHNISCHE GEGEVENS
  • SNELSELECTIE
  • BESTEKOMSCHRIJVING
  • BESTELSLEUTEL

Functiebeschrijving

Wervelroosters voeren de lucht wervelend toe in de ruimte. Dit stromingspatroon heeft een hoge inductie van ruimtelucht en daardoor een snelle afbouw van luchtsnelheid en van het temperatuurverschil tussen toevoerlucht en ruimtelucht. Met wervelroosters zijn grote luchthoeveelheden mogelijk. Het resultaat is mengventilatie voor comfortruimten met een goede doorspoeling met geringe turbulentie van de leefzone.

Wervelroosters serie VD hebben verstelbare lamellen. Verschillende uitblaaspatronen voor koeling of verwarming of aanpassing aan wisselende lasten. Horizontale uitblaas alzijdig. Verticale uitblaas voor verwarming is ook mogelijk. Het toevoertemperatuurverschil kan –12 tot +15 K zijn.

Een servomotor (optioneel) verstelt de lamellen afhankelijk van de vraag.

Functiebeschrijving

Wervelroosters voeren de lucht wervelend toe in de ruimte. Dit stromingspatroon heeft een hoge inductie van ruimtelucht en daardoor een snelle afbouw van luchtsnelheid en van het temperatuurverschil tussen toevoerlucht en ruimtelucht. Met wervelroosters zijn grote luchthoeveelheden mogelijk. Het resultaat is mengventilatie voor comfortruimten met een goede doorspoeling met geringe turbulentie van de leefzone.

Wervelroosters serie VD hebben verstelbare lamellen. Verschillende uitblaaspatronen voor koeling of verwarming of aanpassing aan wisselende lasten. Horizontale uitblaas alzijdig. Verticale uitblaas voor verwarming is ook mogelijk. Het toevoertemperatuurverschil kan –12 tot +15 K zijn.

Een servomotor (optioneel) verstelt de lamellen afhankelijk van de vraag.

Nominale grootten

425, 600, 775, 1050 mm

Minimale luchthoeveelheid

95 – 675 l/s of 342 – 2430 m³/h

Maximale luchthoeveelheid, bij LWA ≅ 50 dB(A)

280 – 1490 l/s of 1008 – 5364 m³/h

Toevoerluchttemperatuurverschil

–12 tot +15 K


De snelselectie biedt een goed overzicht van de luchthoeveelheidsbereiken en de daarbij behorende geluidvermogens en drukverschillen.

De maximale luchthoeveelheden gelden voor een geluidvermogen van ca. 50 dB (A) bij 0° klepstand.

Voor exacte waarden, rekening houdend met alle parameters, kunt u ons selectieprogramma Easy Product Finder gebruiken.

De snelselectie biedt een goed overzicht van de luchthoeveelheidsbereiken en de daarbij behorende geluidvermogens en drukverschillen.

De maximale luchthoeveelheden gelden voor een geluidvermogen van ca. 50 dB (A) bij 0° klepstand.

Voor exacte waarden, rekening houdend met alle parameters, kunt u ons selectieprogramma Easy Product Finder gebruiken.


VD-H, Geluidvermogenniveau en totaal drukverschil

Nominale grootte V Δpt LWA
Nominale grootte l/s m³/h Pa dB(A)

425

95

342

6

21

425

150

540

15

32

425

215

774

31

42

425

280

1008

52

50

600

210

756

9

28

600

310

1116

20

37

600

410

1476

35

44

600

510

1836

54

50

775

375

1350

8

26

775

510

1836

14

34

775

660

2376

23

41

775

885

3186

42

50

1050

675

2430

13

36

1050

825

2970

19

41

1050

975

3510

27

46

1050

1120

4032

35

50


VD-V, Geluidvermogenniveau en totaal drukverschil

Nominale grootte V Δpt LWA
Nominale grootte l/s m³/h Pa dB(A)

425

95

342

6

17

425

175

630

19

31

425

260

936

41

41

425

340

1224

70

50

600

210

756

7

19

600

355

1278

21

32

600

410

1476

28

36

600

660

2376

75

50

775

375

1350

6

22

775

545

1962

14

32

775

715

2574

24

42

775

885

3186

38

50

1050

675

2430

11

30

1050

950

3420

22

38

1050

1225

4410

37

44

1050

1490

5364

55

50


Wervelroosters met vierkant frontrooster voor comfort en industriële toepassingen in hoge ruimten. Als toevoerrooster. Lamellen van de diagonaal tegenoverliggende lamellenvelden verstelbaar voor horizontale tot verticale inblaas. Horizontale inblaas met hoge inductie. Voor inbouw plaatsing of in verlaagde plafonds.

Rooster opgebouwd uit het fontrooster met lamellen, in kwadranten geplaatst, een traverse voor opbouw van een servomotor en een aansluitkast met horizontale of verticale aansluiting en boringen voor ophanging.

Schroefbevestiging van het frontrooster aan de aansluitkast.

Aansluiting passend op ronde luchtkanalen volgens EN 1506 of EN 13180.

Geluidvermogenniveau van het stromingsgeluid gemeten volgens EN ISO 5135.

Speciale kenmerken

  • Met verstelbare lamellen voor grote ruimtehoogten
  • Handmatig en motorisch verstelbare uitblaasrichting
  • Luchtaansluiting horizontaal en verticaal

Materialen en afwerking

  • Aluminium frontrooster
  • Aansluitkast, kraag en traverse van verzinkt plaatstaal.
  • Beschermkorf van stalen profielen
  • Frontrooster naturel geanodiseerd, E6-C-0
  • Beschermkorf poedergecoat, RAL 9010, wit
  • Randverbreding poedergecoat, RAL 9006, wit aluminium
  • P1: poedercoating, kleur volgens RAL Classic

Technische gegevens

  • Nominale grootten: 425, 600, 775, 1050 mm
  • Minimale luchthoeveelheid: 95 – 675 l/s of 342 – 2430 m³/h
  • Maximale luchthoeveelheid, bij LWA ≅ 50 dB(A): 280 – 1490 l/s of 1008 – 5364 m³/h
  • Toevoerluchttemperatuurverschil: –12 bis +15 K

Selectiegegevens

  • V _______________________ [m³/h]
  • Δpt _______________________ [Pa]

Stromingsgeluid

  • LWA _______________________ [dB(A)]

Wervelroosters met vierkant frontrooster voor comfort en industriële toepassingen in hoge ruimten. Als toevoerrooster. Lamellen van de diagonaal tegenoverliggende lamellenvelden verstelbaar voor horizontale tot verticale inblaas. Horizontale inblaas met hoge inductie. Voor inbouw plaatsing of in verlaagde plafonds.

Rooster opgebouwd uit het fontrooster met lamellen, in kwadranten geplaatst, een traverse voor opbouw van een servomotor en een aansluitkast met horizontale of verticale aansluiting en boringen voor ophanging.

Schroefbevestiging van het frontrooster aan de aansluitkast.

Aansluiting passend op ronde luchtkanalen volgens EN 1506 of EN 13180.

Geluidvermogenniveau van het stromingsgeluid gemeten volgens EN ISO 5135.

Speciale kenmerken

  • Met verstelbare lamellen voor grote ruimtehoogten
  • Handmatig en motorisch verstelbare uitblaasrichting
  • Luchtaansluiting horizontaal en verticaal

Materialen en afwerking

  • Aluminium frontrooster
  • Aansluitkast, kraag en traverse van verzinkt plaatstaal.
  • Beschermkorf van stalen profielen
  • Frontrooster naturel geanodiseerd, E6-C-0
  • Beschermkorf poedergecoat, RAL 9010, wit
  • Randverbreding poedergecoat, RAL 9006, wit aluminium
  • P1: poedercoating, kleur volgens RAL Classic

Technische gegevens

  • Nominale grootten: 425, 600, 775, 1050 mm
  • Minimale luchthoeveelheid: 95 – 675 l/s of 342 – 2430 m³/h
  • Maximale luchthoeveelheid, bij LWA ≅ 50 dB(A): 280 – 1490 l/s of 1008 – 5364 m³/h
  • Toevoerluchttemperatuurverschil: –12 bis +15 K

Selectiegegevens

  • V _______________________ [m³/h]
  • Δpt _______________________ [Pa]

Stromingsgeluid

  • LWA _______________________ [dB(A)]

00133907_0

                                                                       Serie
                                                                                                                                                    VD       Wervelrooster
                                                               

                                                                       Aansluiting
                                                                             Geen opgaaf: alleen frontrooster
                                                                                                                                                    H       Horizontaal, met aansluitkast
                                                                                                                                                    V       Verticaal, met aansluitkast
                                                               

                                                                       Verstelling
                                                                             Geen opgaaf: handmatig
                                                                             Elektrische servomotor
                                                                                                                                                    E1       230 V AC, 3-punts
                                                                                                                                                    E2       24 V AC/DC, 3-punts
                                                                                                                                                    E3       24 V AC/DC, proportioneel 2 – 10 V DC
                                                               

 

                                                                       Toebehoren
                                                                             Alleen bij aansluitkast H en V
                                                                             los meegeleverd
                                                                                                                                                    K       Randverbreding
                                                                                                                                                    S       Beschermkorf
                                                                                                                                                    K en S niet combineerbaar
                                                               

                                                                       Nominale grootte [mm]
                                                                                                                                                                                                                                         425                                                                                                                                                     
                                                                                                                                                                                                                                         600                                                                                                                                                     
                                                                                                                                                                                                                                         775                                                                                                                                                     
                                                                                                                                                                                                                                         1050                                                                                                                                                     
                                                               

                                                                       Oppervlak zichtzijde frontrooster
                                                                             Geen opgaaf: naturel geanodiseerd,
                                                                             E6-C-0
                                                                                                                                                    P1       Poedergecoat, RAL Classic kleur opgeven.
                                                               

                                                                                                                                                                                                                                         Glansgraad
       RAL 9010 50 %
                                                                             RAL 9006 30 %
                                                                             Alle andere RAL-kleuren 70 %
                                                               

Bestelvoorbeeld VD–V–E1–K/600/P1-RAL 9016

Aansluiting

Verticaal

Verstelling

Elektrische servomotor 230 V AC

Aanbouwdeel

Randverbreding

Nominale grootte

600 mm

Oppervlak zichtzijde frontrooster

RAL 9016, verkeerswit, glansgraad70 %


 

Uitvoeringen, Toebehoren, Afmetingen en gewichten, Productdetails

  • Uitvoeringen
  • TOEBEHOREN
  • AFMETINGEN EN GEWICHTEN
  • PRODUCTDETAILS

VD-H

Uitvoering

  • Wervelrooster met vierkant frontrooster
  • Aansluitkast met horizontale aansluiting

Nominale grootten

  • 425, 600, 775, 1050

Onderdelen en eigenschappen

  • Vierkant frontrooster met vier lamelvelden
  • Frontrooster met verstelbare lamellen voor horizontale tot verticale inblaas.
  • Aansluitkast met horizontale aansluiting

Constructieve kenmerken

  • Aansluiting passend op ronde luchtkanalen volgens EN 1506 of EN 13180

VD-V

Uitvoering

  • Wervelrooster met vierkant frontrooster
  • Aansluitkast met verticale aansluiting

Nominale grootten

  • 425, 600, 775, 1050

Onderdelen en eigenschappen

  • Vierkant frontrooster met vier lamelvelden
  • Frontrooster met verstelbare lamellen voor horizontale tot verticale inblaas.
  • Aansluitkast met verticale aansluiting

Constructieve kenmerken

  • Aansluiting passend op ronde luchtkanalen volgens EN 1506 of EN 13180

VD-H

Uitvoering

  • Wervelrooster met vierkant frontrooster
  • Aansluitkast met horizontale aansluiting

Nominale grootten

  • 425, 600, 775, 1050

Onderdelen en eigenschappen

  • Vierkant frontrooster met vier lamelvelden
  • Frontrooster met verstelbare lamellen voor horizontale tot verticale inblaas.
  • Aansluitkast met horizontale aansluiting

Constructieve kenmerken

  • Aansluiting passend op ronde luchtkanalen volgens EN 1506 of EN 13180

VD-V

Uitvoering

  • Wervelrooster met vierkant frontrooster
  • Aansluitkast met verticale aansluiting

Nominale grootten

  • 425, 600, 775, 1050

Onderdelen en eigenschappen

  • Vierkant frontrooster met vier lamelvelden
  • Frontrooster met verstelbare lamellen voor horizontale tot verticale inblaas.
  • Aansluitkast met verticale aansluiting

Constructieve kenmerken

  • Aansluiting passend op ronde luchtkanalen volgens EN 1506 of EN 13180

VD-*-K

Toebehoren

  • Randverbreding

Nominale grootten

  • 425, 600, 775, 1050

Onderdelen en eigenschappen

  • Randverbreding ondersteunt de horizontale luchtuitblaas bij koeling

VD-*-S

Toebehoren

  • Beschermkorf

Nominale grootten

  • 425, 600, 775, 1050

Onderdelen en eigenschappen

  • Beschermkorf voor bescherming van de lamellen tegen beschadiging in sporthallen

VD-*-KVD-*-S

VD-*-K

Toebehoren

  • Randverbreding

Nominale grootten

  • 425, 600, 775, 1050

Onderdelen en eigenschappen

  • Randverbreding ondersteunt de horizontale luchtuitblaas bij koeling

VD-*-S

Toebehoren

  • Beschermkorf

Nominale grootten

  • 425, 600, 775, 1050

Onderdelen en eigenschappen

  • Beschermkorf voor bescherming van de lamellen tegen beschadiging in sporthallen



VD-H

Gewichtsopgaven gelden voor de uitvoeringen met servomotor

VD-V

Gewichtsopgaven gelden voor de uitvoeringen met servomotor

Gewichtsopgaven gelden voor de uitvoeringen met servomotor

Gewichtsopgaven gelden voor de uitvoeringen met servomotor

Frontrooster VD 00143583_0


VD

Inbouwvoorbeelden, Inbouwdetails, Kenmerken en definities

  • Inbouwvoorbeelden
  • INBOUWDETAILS
  • KENMERKEN EN DEFINITIES
Vrijhangende plaatsing 00144318_0


Inbouw en inbedrijfname

  • Bij voorkeur vanaf 3,8 m ruimtehoogte
  • Inbouw in plafond
  • VD-...-K: Ook vrijhangende montage
  • VD-V: Plafondafstand van minstens 300 mm benodigd voor continue verstelling van de uitblaasrichting
  • Luchtaansluiting horizontaal of verticaal

Inbouwwijze

  • Inbouw in plafond of vrijhangend
  • Het stromingspatroon van de VD, ingebouwd in open rasterplafonds, komt overeen met vrijhangende montage
  • Continue verstelling van de uitblaasrichting met een servomotor kan alleen bij vrijhangende of bij montage uit het plafond of in een open rasterplafond
  • Inbouw en tot stand brengen van alle benodigde aansluitingen door derden

Schematische weergave ter verduidelijking van het inbouwdetail.

Inbouw en inbedrijfname

  • Bij voorkeur vanaf 3,8 m ruimtehoogte
  • Inbouw in plafond
  • VD-...-K: Ook vrijhangende montage
  • VD-V: Plafondafstand van minstens 300 mm benodigd voor continue verstelling van de uitblaasrichting
  • Luchtaansluiting horizontaal of verticaal

Inbouwwijze

  • Inbouw in plafond of vrijhangend
  • Het stromingspatroon van de VD, ingebouwd in open rasterplafonds, komt overeen met vrijhangende montage
  • Continue verstelling van de uitblaasrichting met een servomotor kan alleen bij vrijhangende of bij montage uit het plafond of in een open rasterplafond
  • Inbouw en tot stand brengen van alle benodigde aansluitingen door derden

Schematische weergave ter verduidelijking van het inbouwdetail.

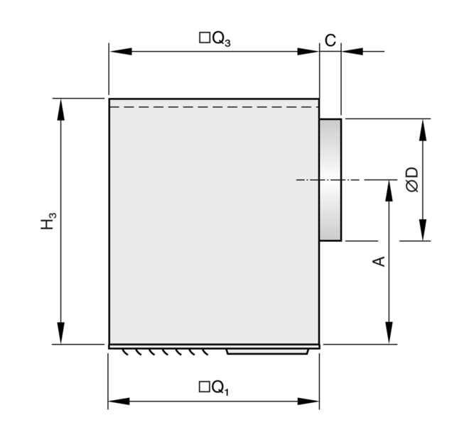
Hoofdafmetingen

ØD [mm]

Buitendiameter van de aansluiting

ØD₁ [mm]

Buitendiameter van een rond frontrooster

ØD₂ [mm]

Diameter van een rond roosteraanzicht

ØD₃ [mm]

Diameter van een ronde aansluitkast

□Q₁ [mm]

Buitenafmetingen van een vierkant frontrooster

□Q₂ [mm]

Afmetingen van een vierkant roosteraanzicht

□Q₃ [mm]

Afmetingen van een vierkante aansluitkast

H₁ [mm]

Hoogte van onderkant plafond tot onderkant frontrooster

H₂ [mm]

Hoogte van een plafondrooster van onderkant plafond tot bovenkant aansluittuit

H₃ [mm]

Hoogte van een plafondrooster met aansluitkast van onderkant plafond tot bovenkant aansluitkast of aansluittuit

A [mm]

Plaats van de aansluittuit, gedefinieerd door de afstand van de hartlijn tot onderkant plafond

C [mm]

Lengte van de aansluittuit

m [kg]

Gewicht (massa)

Definities

LWA [dB(A)]

Geluidvermogenniveau stromingsgeluid, A-gecorrigeerd.

V [m³/h] en [l/s]

Luchthoeveelheid

Δtz [K]

Toevoerluchttemperatuurverschil, toevoerluchttemperatuur min ruimtetemperatuur

Δpt [Pa]

Totaal drukverlies

Aeff [m²]

Effectief uitblaasoppervlak


Alle geluidvermogens zijn gebaseerd op 1 pW.

Hoofdafmetingen

ØD [mm]

Buitendiameter van de aansluiting

ØD₁ [mm]

Buitendiameter van een rond frontrooster

ØD₂ [mm]

Diameter van een rond roosteraanzicht

ØD₃ [mm]

Diameter van een ronde aansluitkast

□Q₁ [mm]

Buitenafmetingen van een vierkant frontrooster

□Q₂ [mm]

Afmetingen van een vierkant roosteraanzicht

□Q₃ [mm]

Afmetingen van een vierkante aansluitkast

H₁ [mm]

Hoogte van onderkant plafond tot onderkant frontrooster

H₂ [mm]

Hoogte van een plafondrooster van onderkant plafond tot bovenkant aansluittuit

H₃ [mm]

Hoogte van een plafondrooster met aansluitkast van onderkant plafond tot bovenkant aansluitkast of aansluittuit

A [mm]

Plaats van de aansluittuit, gedefinieerd door de afstand van de hartlijn tot onderkant plafond

C [mm]

Lengte van de aansluittuit

m [kg]

Gewicht (massa)

Definities

LWA [dB(A)]

Geluidvermogenniveau stromingsgeluid, A-gecorrigeerd.

V [m³/h] en [l/s]

Luchthoeveelheid

Δtz [K]

Toevoerluchttemperatuurverschil, toevoerluchttemperatuur min ruimtetemperatuur

Δpt [Pa]

Totaal drukverlies

Aeff [m²]

Effectief uitblaasoppervlak


Alle geluidvermogens zijn gebaseerd op 1 pW.

Downloads

Product informatie

Bedieningshandleiding

production {"x-frame-options"=>"SAMEORIGIN", "x-xss-protection"=>"0", "x-content-type-options"=>"nosniff", "x-permitted-cross-domain-policies"=>"none", "referrer-policy"=>"strict-origin-when-cross-origin", "strict-transport-security"=>"max-age=31536000; includeSubDomains", "content-type"=>"text/html; charset=utf-8", "link"=>"</assets/application-efbc495b06ca980ef13dc743756002fce2f413f798fecb64c7f0c81954c16402.css>; rel=preload; as=style; nopush,</assets/print-fec2e47d6d8dcc5d4c101139f17046ba981ca1c12f71e7e403fba50cc7584175.css>; rel=preload; as=style; nopush,</assets/other_js/modernizr.custom.93544-c26374a79d804901074bb4aa6fd3fa44ea22e840389915d2adce16b024021ef3.js>; rel=preload; as=script; nopush,</assets/other_js/js.cookie.min-de103d86d1919b40950f791699b4ce768137fde41af09b35ff92bde369732183.js>; rel=preload; as=script; nopush,</assets/other_js/jquery-3.5.1-2c4ce18a1a3f144c333912efc24a76c9a165a0dba9f88a499985df1af0a196a2.js>; rel=preload; as=script; nopush"}

Deel deze pagina

Beveel deze pagina aan

U kunt deze pagina delen door de link te delen.

Velden met een ster (*) zijn verplichte velden.

Contact

Bedankt voor uw bericht!

Uw aanbeveling is verzonden naar de ontvanger.

Contact

Wij zijn er om u te helpen.

Geef alstublieft het onderwerp van uw vraag en uw contactgegevens.
Tel.: +31(0)183 767300 | Fax: +31(0)183 767399

Attachment (max. 10MB)

Velden met een ster (*) zijn verplichte velden.

Contact

Bedankt voor uw bericht!

Uw bericht is ontvangen door ons Service Center en wordt verwerkt.
Onze service-afdeling neemt contact met u op.
Als u algemene vragen over onze producten en services heeft, kunt u ons ook bereiken op:
Tel.: +31(0)183 767300 | Fax: +31(0)183 767399

Contact

Wij zijn er om u te helpen.

Geef alstublieft het onderwerp van uw vraag en uw contactgegevens.
Tel.: +31(0)183 767300 | Fax: +31(0)183 767399

Attachment (max. 10MB)

Velden met een ster (*) zijn verplichte velden.

Contact

Bedankt voor uw bericht!

Uw bericht is ontvangen door ons Service Center en wordt verwerkt.
Onze service-afdeling neemt contact met u op.
Als u algemene vragen over onze producten en services heeft, kunt u ons ook bereiken op:
Tel.: +31(0)183 767300 | Fax: +31(0)183 767399